Your region has been set to Italy. Please confirm or select a different region.
SCT-4XD Integrator Belt/Bulk Material Instrumentation
- Manage up to four load cells (one scale)
- Dual encoders and outputs for automatic test weight application
- Micro-USB communication port for configuration, diagnostics and data backup (RL Tools Software)
- All data and adjustments of each scale are available through integrated fieldbus (not available on AN models)
- Removable terminal blocks to simplify wiring in the electrical panel
- Power supply circuit with protections, specific for industrial environment
Options
- 1280 terminal with web server and system configuration menus
- Fieldbus: EtherNet/IP™, PROFINET IO, Modbus TCP/IP
- Analog output
SCT-4XD Integrator Specifications
|
Power: Power Consumption: Excitation Voltage: Analog Signal Input Range: Analog Signal Sensitivity: Sample Rate: |
Analog Output (if equipped): Digital I/O: Communication Ports: Pulse Input: Display: Keys/Buttons: |
Dimensions: Mounting Tabs: Weight: Warranty: Approvals: |
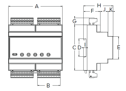
SCT-4XD Integrator Dimensions

| SCT-4XD Enclosure Dimensions | |||
|---|---|---|---|
| A | 10.50 in (267 mm) | C | 13.12 in (333 mm) |
| B | 8.00 in (203 mm) | D | 12.50 in (318 mm) |
| E | 6.26 in (159 mm) | ||

| SCT-4XD Dimensions | |||
|---|---|---|---|
| A | 4.17 in(106 mm) | G | 0.54 in (13.7 mm) |
| B | 1.77 in (45 mm) | H | 2.28 in (58 mm) |
| C | 3.54 in (90 mm) | I | 0.20 in (5 mm) |
| D | 1.38 in (35 mm) | J | 0.59 in (15 mm) |
| E | 1.77 in (45 mm) | K | 0.39 in (10 mm) |
| F | 1.30 in (33 mm) | ||
Resources/Downloads
Articles
| Title | View | Category | Type | |
|---|---|---|---|---|
| Protect Your Belt Scales from Father Winter | Belt Scale Weigh Frames | Articles |
Manuals
| Title | Version | Revision | Download | Category | Archived | |
|---|---|---|---|---|---|---|
| iRite® Programming Language Programmer Manual | R | Download | Indicator Software|Indicators / Controllers|Weight Indicators | No | ||
| SCT-4XD Belt Scale Integrator Technical Manual | D | Download | Belt Scale Components|Conveyor Belt Scales | No | ||
| 1280 Belt Scale HMI Operation Manual | D | Download | Conveyor Belt Scales|Belt Scale Components | No |
Sales Literature
| Title | Collateral Wizard | Request | Download | Category | |
|---|---|---|---|---|---|
| Belt Scale In-Motion Solutions | Request | Download | Belt Scale Weigh Frames|Bulk Indicators/Controllers | ||
| Belt Scale Buyer's Guide | Request | Download | Belt Scale Weigh Frames|Conveyor Belt Scales|Belt Scale Components | ||
| Belt Scale Integrator System 1280 HMI with SCT-4XD | Request | Download | Belt Scale Components |
Parts
Integrators Only
| Part # | Description | List Price | Cart/Quote |
|---|---|---|---|
| 225171 | Indicator, SCT-4XDAN 4 channel weight transmitter with Belt Scale Integrator firmware. Digitizer only - no power supply or enclosure. |
List Price: $1,300.00 |
|
| 225172 | Indicator, SCT-4XDMB 4 channel weight transmitter with Belt Scale Integrator firmware and Modbus TCP. Digitizer only - no power supply or enclosure. |
List Price: $1,580.00 |
|
| 225173 | Indicator, SCT-4XDPN 4 channel weight transmitter with Belt Scale Integrator firmware and Profinet. Digitizer only - no power supply or enclosure. |
List Price: $1,580.00 |
|
| 225174 | Indicator, SCT-4XDEIP 4 channel weight transmitter with Belt Scale Integrator firmware and Ethernet IP. Digitizer only - no power supply or enclosure. |
List Price: $1,580.00 |
Integrators with Enclosure
Integrator with 1280 HMI
Options
| Part # | Description | List Price | Cart/Quote |
|---|---|---|---|
| 228869 | 1280 Belt HMI 7 inch 1280 Universal with Belt HMI Software (PN 224092) |
List Price: $3,300.00 |
|
| 88792 | Power Supply,IDEC 12VDC DIN Rail Mount, 1.3 Amp, Input: 85 to 264 VAC, 100 to 370 VDC 15W |
List Price: $140.00 |
|
| 119244 | Power Supply,24VDC 1.3A Din Mount Input 90 to 264VAC,120 to 370VDC, UL E135494 |
List Price: $160.00 |
|
| Consult | 1280 terminal, 7-inch touch screen (only) for panel/surface mount |
Consult |
Related Products

1280 with SCT-4XD Integrator Belt/Bulk Material Instrumentation
1280 terminal paired with the SCT-4XD integrator is capable of reading two speed encoders and enhances real-time diagnostics. Two operating modes, belt or solid flow metering, offer flexibility for different applications.

Master™ 211 Belt Scale Weigh Frame
Medium to Heavy Capacity - The 211 Master belt scale weigh frame consists of an inner frame mounted in two friction-free pivots, creating a solid weighing frame ideally suited for heavy-duty applications.

Master™ 311 Belt Scale Weigh Frame
Medium to Heavy Capacity - The 311M belt scale weigh frame is often used in dosing belts that can regulate the capacity of a bulk flow using the measured value and a controlled belt speed.

Master™ 221DB Belt Scale Weigh Frame
Medium to Heavy Capacity - The 221DB is suitable for most belt widths and capacities and is ideal in various market segments.

Master™ 421 Belt Scale Weigh Frame
Light Capacity - The 421 Master belt scale weigh frame is specifically designed for high volume, low density applications where belt load and belt speed are moderate.

Master™ 14X Belt Scale Weigh Frame
Medium to Heavy Capacity - The 14X Master belt scale model weighs three idlers on an inner frame that is supported by four load cells, making it the most accurate belt scale in high-capacity, high belt speed applications.